山東萬象環境科技有限公司
聯系人:劉經理
聯系電話:13276362033
QQ:1294284350
公司地址:山東省濰坊高新區新城街道玉清社區光電路155號濰坊高新區光電產業加速器(一期)1號樓301

聯系人:劉經理
聯系電話:13276362033
QQ:1294284350
公司地址:山東省濰坊高新區新城街道玉清社區光電路155號濰坊高新區光電產業加速器(一期)1號樓301

產品型號:WX-B2
產品價格:電議
產品品牌:萬象系
15666889815
在線咨詢一、PM2.5 PM10傳感器產品簡介
PM2.5 PM10傳感器又稱PM2.5檢測傳感器,顆粒物傳感器,PM2.5 PM10傳感器主要用于測量室內外空氣中PM2.5和PM10氣體的含量,廣泛應用于樓宇暖通、建筑節能、智能家居、地下車庫、機場車站、公共環境領域等場所。
山東萬象環境科技有限公司作為專業研發生產氣象傳感器的企業,一直致力于氣象傳感器和氣象環境解決方案推廣應用。具有完整的生產鏈、實力雄厚的技術團隊和全面的營銷團隊,我們研發生產的傳感器已廣泛應用到智慧農業、氣象監測、城市環境監測、風力發電、航海船舶、航空機場、橋梁隧道等領域,客戶遍布全國各地,并取得了良好的社會效益和經濟效益。
二、產品特點
1、抗干擾能力強,具有看門狗電路,自動復位功能,保證系統穩定運行
2、高集成度,無移動部件,零磨損
3、免維護,無需現場校準
4、采用ASA工程塑料室外應用常年不變色
5、產品設計輸出信號標配為RS485通訊接口(MODBUS協議);可選配232、USB、以太網接口,支持數據實時讀取☆
6、可選配無線傳輸模塊,最小傳輸間隔1分鐘
三、技術參數
1、二氧化碳:0-5000PPM(±40PPM±讀數的3%)
2、功率:0.24W
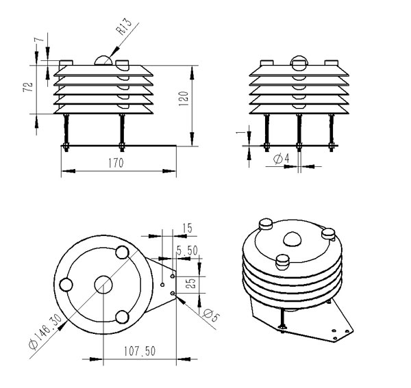
四、產品尺寸圖
五、產品結構圖
泥水位監測站一款沙水域也能使用的水位監測站
2025-12-08高標準農田氣象站推動農業生產向精細化、科學化方向發展
2025-12-08排水管網水質監測系統有效監控管網排放水質健康
2025-12-05負氧離子監測站守護呼吸健康的好幫手
2025-12-05精準監測無死角-防爆工業小型氣象站賦能安全生產
2025-12-04全自動天空成像儀-天空的“全景攝影師
2025-12-04大壩滲流監測系統:大壩安全的“隱形屏障”
2025-12-03便攜式流速儀:水流的“靈活測速員”
2025-12-03害蟲遠程實時監測系統:高清攝像頭下的蟲情監測工具
2025-07-10農田氣象工作站實時了解農溫況
2024-03-19管式土壤含水率監測站:用智能化、現代化的科技手段監測土壤健康問題
2025-04-29小型移動式氣象站——一款口碑好不翻車多功能便攜氣象環境觀測站2023已更新
2023-02-08超聲波多層時差法測流系統測量不同水層的流速
2024-06-27GNSS位移監測站萬象環境是如何打響知名度的?
2025-03-10水質在線監測系統對解決水質污染問題具有現實意義
2023-12-20田間農業氣象監測站——一款千錘百煉的農業小型氣象監測站#2022已更新
2022-10-14山東萬象環境科技有限公司主營手持氣象站,便攜式氣象站,農業氣象站,負氧離子監測站,氣象站監測設備等,支持客戶定制參數,歡迎選購!
Copyright @ 2019-2027山東萬象環境科技有限公司版權所有
魯公網安備37079402370805 ICP備案號:魯ICP備2022000322號-3 網站部分內容來自網絡,如有侵權請聯系管理員刪除