山東萬象環境科技有限公司
聯系人:劉經理
聯系電話:13276362033
QQ:1294284350
公司地址:山東省濰坊高新區新城街道玉清社區光電路155號濰坊高新區光電產業加速器(一期)1號樓301

聯系人:劉經理
聯系電話:13276362033
QQ:1294284350
公司地址:山東省濰坊高新區新城街道玉清社區光電路155號濰坊高新區光電產業加速器(一期)1號樓301

產品型號:WX-QT1S
產品價格:電議
產品品牌:萬象系
15666889815
在線咨詢一、高精度一氧化碳傳感器技術參數
高精度一氧化碳傳感器又稱一氧化碳傳感器,高精度一氧化碳傳感器是山東萬象環境生產的一款氣體傳感器,主要傳感器有一氧化碳傳感器,二氧化硫傳感器,二氧化氮傳感器,臭氧,氧含量傳感器,負氧離子傳感器,硫化氫傳感器,甲烷,氨氣,一氧化碳,甲醛,一氧化氮,四氣兩塵等多種傳感器,可批發可定制參數,歡迎選購
型號 | 測量參數 | 測量范圍 | 精度 | 分辨率 | 單位 | 工作溫度 | 工作濕度 |
QT1 | 一氧化碳 | 0-1000PPM | ±2PPM | 1PPM | PPM | -20℃-+50℃ | 10-95%RH無冷凝 |
QT1S | 0-20PPM | ≤±5% | 0.01PPM | PPM | -20℃-+50℃ | 10-95%RH無冷凝 | |
QT2 | 二氧化硫 | 0-20PPM | ±1PPM | 0.1PPM | PPM | -20℃-+50℃ | 10-95%RH無冷凝 |
QT2S | 0-1PPM | ≤±5% | 0.001ppm | PPM | -20℃-+50℃ | 10-95%RH無冷凝 | |
QT3 | 二氧化氮 | 0-20PPM | ±1PPM | 0.1PPM | PPM | -20℃-+50℃ | 10-95%RH無冷凝 |
QT3S | 0-1PPM | ≤±5% | 0.001ppm | PPM | -20℃-+50℃ | 10-95%RH無冷凝 | |
QT4 | 臭氧 | 0-20PPM | ±1PPM | 0.1PPM | PPM | -20℃-+50℃ | 10-95%RH無冷凝 |
QT4S | 0-1PPM | ≤±5% | 0.001ppm | PPM | -20℃-+50℃ | 10-95%RH無冷凝 | |
QT5 | 氧含量 | 0~30%VOL | ±3%FS | 0.1%VOL | VOL | -20℃-+50℃ | 5-95%RH 無冷凝 |
QT6 | 負氧離子 | 0~10萬 個/cm3 | ±10% | 10個/cm3 | 個/cm3 | +10℃-+70℃ | 10-70%RH無冷凝 |
QT7 | 硫化氫 | 0-100PPM | ±2PPM | 1PPM | PPM | -20℃-+50℃ | 10-95%RH無冷凝 |
QT8 | 甲烷 | 0-100%LEL | ≤±3% | 1%LEL | LEL | -20℃-+50℃ | 10-95%RH無冷凝 |
QT9 | TVOC | 0-100PPM | 55±15 nA/ppm | 1PPM | PPM | -20℃-+50℃ | 10-95%RH無冷凝 |
QT10 | 氨氣 | 0-100PPM | ±4PPM | 1PPM | PPM | -20℃-+50℃ | 10-95%RH無冷凝 |
QT11 | 一氧化氮 | 0-250PPM | -2~10PPM | 1PPM | PPM | -20℃-+50℃ | 10-95%RH無冷凝 |
QT12 | 甲醛 | 0-10PPM | <1PPM | 0.1PPM | PPM | -20℃-+50℃ | 10-95%RH無冷凝 |
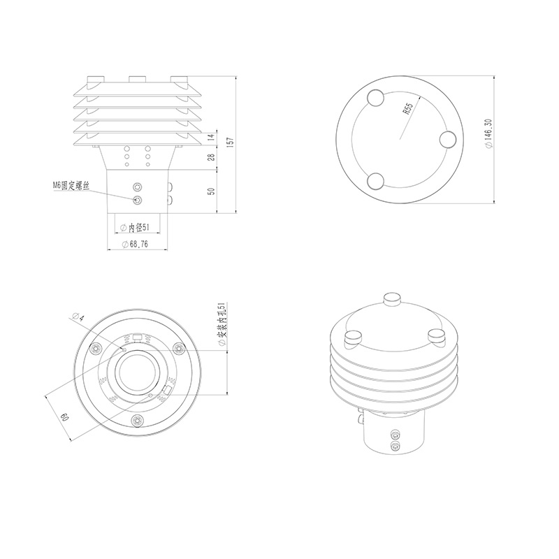
二、產品尺寸圖

泥水位監測站一款沙水域也能使用的水位監測站
2025-12-08高標準農田氣象站推動農業生產向精細化、科學化方向發展
2025-12-08排水管網水質監測系統有效監控管網排放水質健康
2025-12-05負氧離子監測站守護呼吸健康的好幫手
2025-12-05精準監測無死角-防爆工業小型氣象站賦能安全生產
2025-12-04全自動天空成像儀-天空的“全景攝影師
2025-12-04大壩滲流監測系統:大壩安全的“隱形屏障”
2025-12-03便攜式流速儀:水流的“靈活測速員”
2025-12-03蟲情測報儀方便研究環境與蟲害之間的關系
2024-03-11河道水位監測站汛期作用?
2025-05-13煙氣排放連續監測系統減少垃圾焚燒污染
2022-02-12防爆氣象檢測系統的優勢作用
2025-01-06智慧農業氣象站,全面監測能力對農業生產的作用
2025-08-29鼠情自動監測系統有什么特點?
2025-03-12便攜式熒光定量pcr儀——一款很便攜的國產熒光定量pcr儀2023已更新
2023-04-06浪高儀是用來干什么的?
2025-02-27山東萬象環境科技有限公司主營手持氣象站,便攜式氣象站,農業氣象站,負氧離子監測站,氣象站監測設備等,支持客戶定制參數,歡迎選購!
Copyright @ 2019-2027山東萬象環境科技有限公司版權所有
魯公網安備37079402370805 ICP備案號:魯ICP備2022000322號-3 網站部分內容來自網絡,如有侵權請聯系管理員刪除