山東萬象環境科技有限公司
聯系人:劉經理
聯系電話:13276362033
QQ:1294284350
公司地址:山東省濰坊高新區新城街道玉清社區光電路155號濰坊高新區光電產業加速器(一期)1號樓301

聯系人:劉經理
聯系電話:13276362033
QQ:1294284350
公司地址:山東省濰坊高新區新城街道玉清社區光電路155號濰坊高新區光電產業加速器(一期)1號樓301

產品型號:WX-QT5
產品價格:電議
產品品牌:萬象系
15666889815
在線咨詢一、氧含量傳感器技術參數
氧含量傳感器又稱含氧量傳感器,氧氣電化學傳感器,氧含量傳感器是一種能將環境中氧氣濃度轉換為可測量電信號的裝置,廣泛應用于工業領域,汽車與交通,醫療健康,環境監測,能源與安全等多個領域使用,可大氣監測方面,可用于測量大氣中微量氧,輔助研究氣候變化。
型號 | 測量參數 | 測量范圍 | 精度 | 分辨率 | 單位 | 工作溫度 | 工作濕度 |
QT1 | 一氧化碳 | 0-1000PPM | ±2PPM | 1PPM | PPM | -20℃-+50℃ | 10-95%RH無冷凝 |
QT1S | 0-20PPM | ≤±5% | 0.01PPM | PPM | -20℃-+50℃ | 10-95%RH無冷凝 | |
QT2 | 二氧化硫 | 0-20PPM | ±1PPM | 0.1PPM | PPM | -20℃-+50℃ | 10-95%RH無冷凝 |
QT2S | 0-1PPM | ≤±5% | 0.001ppm | PPM | -20℃-+50℃ | 10-95%RH無冷凝 | |
QT3 | 二氧化氮 | 0-20PPM | ±1PPM | 0.1PPM | PPM | -20℃-+50℃ | 10-95%RH無冷凝 |
QT3S | 0-1PPM | ≤±5% | 0.001ppm | PPM | -20℃-+50℃ | 10-95%RH無冷凝 | |
QT4 | 臭氧 | 0-20PPM | ±1PPM | 0.1PPM | PPM | -20℃-+50℃ | 10-95%RH無冷凝 |
QT4S | 0-1PPM | ≤±5% | 0.001ppm | PPM | -20℃-+50℃ | 10-95%RH無冷凝 | |
QT5 | 氧含量 | 0~30%VOL | ±3%FS | 0.1%VOL | VOL | -20℃-+50℃ | 5-95%RH 無冷凝 |
QT6 | 負氧離子 | 0~10萬 個/cm3 | ±10% | 10個/cm3 | 個/cm3 | +10℃-+70℃ | 10-70%RH無冷凝 |
QT7 | 硫化氫 | 0-100PPM | ±2PPM | 1PPM | PPM | -20℃-+50℃ | 10-95%RH無冷凝 |
QT8 | 甲烷 | 0-100%LEL | ≤±3% | 1%LEL | LEL | -20℃-+50℃ | 10-95%RH無冷凝 |
QT9 | TVOC | 0-100PPM | 55±15 nA/ppm | 1PPM | PPM | -20℃-+50℃ | 10-95%RH無冷凝 |
QT10 | 氨氣 | 0-100PPM | ±4PPM | 1PPM | PPM | -20℃-+50℃ | 10-95%RH無冷凝 |
QT11 | 一氧化氮 | 0-250PPM | -2~10PPM | 1PPM | PPM | -20℃-+50℃ | 10-95%RH無冷凝 |
QT12 | 甲醛 | 0-10PPM | <1PPM | 0.1PPM | PPM | -20℃-+50℃ | 10-95%RH無冷凝 |
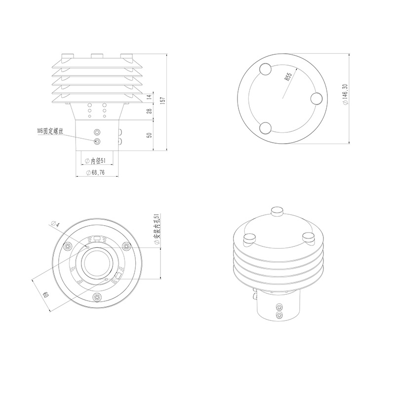
二、氧含量傳感器產品尺寸圖

泥水位監測站一款沙水域也能使用的水位監測站
2025-12-08高標準農田氣象站推動農業生產向精細化、科學化方向發展
2025-12-08排水管網水質監測系統有效監控管網排放水質健康
2025-12-05負氧離子監測站守護呼吸健康的好幫手
2025-12-05精準監測無死角-防爆工業小型氣象站賦能安全生產
2025-12-04全自動天空成像儀-天空的“全景攝影師
2025-12-04大壩滲流監測系統:大壩安全的“隱形屏障”
2025-12-03便攜式流速儀:水流的“靈活測速員”
2025-12-03水質多參數在線監測儀,創新手持檢測水質狀況工具
2025-06-12便攜式超聲波測深儀:應用廣泛,開啟水下新世界
2024-10-14防爆工業小型氣象站簡單介紹
2022-01-11數字浪高儀:海浪有多高?讓這個智能設備告訴你答案!
2025-11-03鼠情自動監測系統有什么特點?
2025-03-12便攜式el檢測儀:光伏板的“健康聽診器”
2025-09-23多點無線土壤墑情監測站助力抗旱救災
2022-05-27雷電預警監測系統提高了主動防御雷電災害的能力
2024-08-13山東萬象環境科技有限公司主營手持氣象站,便攜式氣象站,農業氣象站,負氧離子監測站,氣象站監測設備等,支持客戶定制參數,歡迎選購!
Copyright @ 2019-2027山東萬象環境科技有限公司版權所有
魯公網安備37079402370805 ICP備案號:魯ICP備2022000322號-3 網站部分內容來自網絡,如有侵權請聯系管理員刪除